
Transparent Telephone Hood
Pavilion, telephone hood, anti-noise gloriette, public phone booth, public telephone pavilion, anti-voice phone pavilion, telephone booth.
Main features:
Designed for use in noisy areas and harsh environments
Extremely robust
Good acoustic qualities and highly visible
To protect inside telephone waterproof
Popular in noisy factories such as newspaper print rooms.
Features:
Material:
Tip cover: high quality organic glass
Side board: high quality organic glass
Bottom tablet: cold steel board with comfortable plastic finish
Color available: Blue
Hood layout:

Packing details:
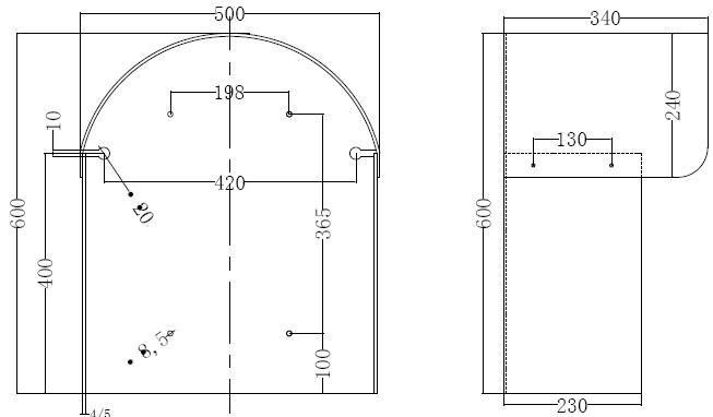
UNIT SIZE: 600/500/340 mm
Shiping Carton Box: 2pcs in 1box and box size: 765x530x365mm G.W:24.8kg